Additional Info
Additional Info
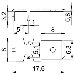
| Material | brass |
|---|---|
| Plating | pure tin-plated |
| RoHS Conform | Y |
| CAD Zeichnung | 3867p.60.STEP |
| für Bohrung | 1.2 |
| Material | brass |
|---|---|
| Plating | pure tin-plated |
| RoHS Conform | Y |
| CAD Zeichnung | 3867p.60.STEP |
| für Bohrung | 1.2 |
Phone: + 372 671 22 51
Phone: +46 (0)8-445 36 00
Phone: +468 445 36 00
Phone: +468 445 36 00
Sales office
Adcontact AB
Postboks 246 Skøyen
NO-0213 Oslo
Norway
Phone: +468 445 36 00
© 2019 Adcontact – Webbshop av Lybe
